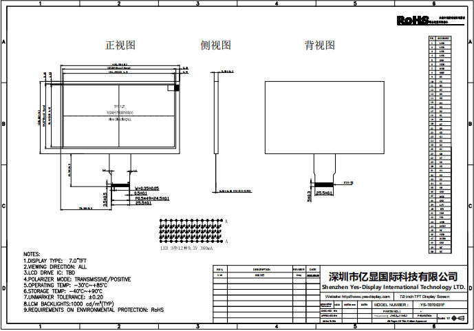
1. LCM Technical Parameters
ITEM
STANDARD VALUES
UNITS
LCD type
7.0’’TFT
--
Dot arrangement
1024(RGB)×600
dots
Color filter array
RGB vertical stripe
--
Display mode
IPS / Transmission / Normally Black
-
Optimum viewing direction
ALL
--
Module size
164.9(W)×100(H)×5.5(T)(Exclude FPC)
mm
Active area
154.21(W)×85.92(H)
mm
Interface
RGB
--
Operating temperature
-30 ~ +85
°C
Storage temperature
-40 ~ +90
°C
Back Light
White LED*36
--
2.LCM Optical Characteristics
3.LED Backlight Characteristics
|
Item |
Symbol |
MIN |
TYP |
MAX |
UNIT |
Test Condition |
|
Supply Voltage |
Vf |
9.0 |
9.3 |
9.6 |
V |
If=360mA |
|
Supply Current |
If |
- |
360 |
- |
mA |
- |
|
Luminous Intensity for LCM |
- |
800 |
1000 |
- |
cd/m2 |
If=360mA |
|
Uniformity for LCM |
- |
- |
80 |
- |
% |
If=360mA |
|
Life Time |
- |
- |
50000 |
- |
Hr |
If=360mA |
|
Backlight Color |
White |
|||||





