







| 系统类目: | > |
|---|---|
| 产品品牌: | |
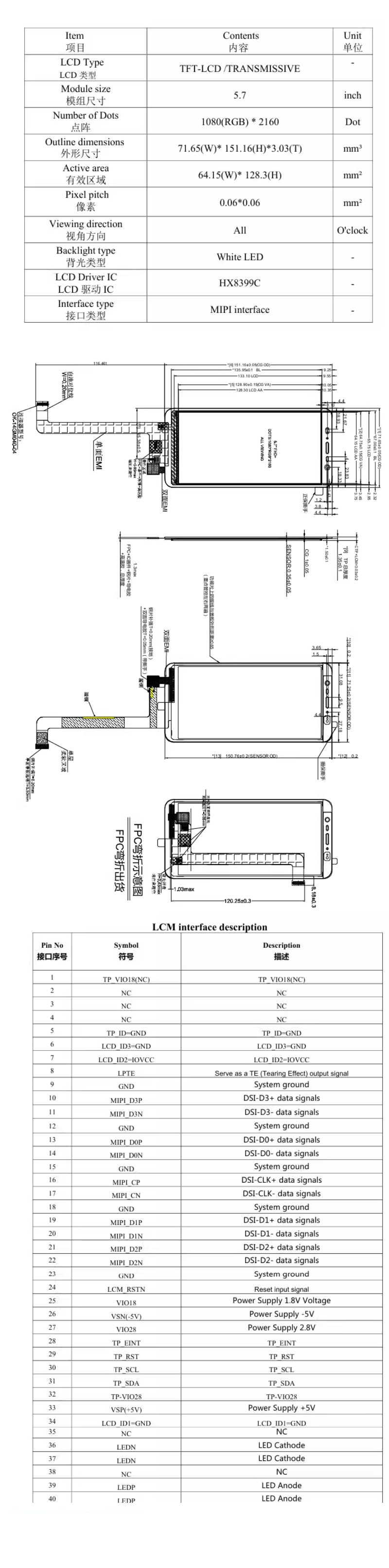
| 产品型号: | YX57026BCT |
| 关键描述: | 5.7寸1080X2160检测仪器卫星电话户外手持高亮度屏手机屏mipi接口 |
| 产品类别: | |
| 产品标签: | |
| 应用产品: | |
| 面板类型: | |
| 产品组成: | |
| 面板尺寸: | " |
| 分 辨 率: | |
| 宽 高 比: | (宽:高) |
| 物理形状: | |
| 显示尺寸: | 64.15 (宽) × 128.3 (高) mm (A.A) |
| 外观尺寸: | 71.65 (宽) × 151.16 (高) mm |
| 最大厚度: | 3.03 mm |
| 液晶态家族: | |
| 偏 光 片: | |
| 面板亮度: | |
| 透射对比度: | |
| 可视角度: | 80/80/80/80 (左/右/上/下) |
| 视角方向: | |
| 显示颜色: | |
| 背光类型: | |
| 信号类型: | |
| 信号脚数: | 40 Pins |
| 触 摸 屏: | |
| 工作温度: | ~ °C |
| 存储温度: | ~ °C |
| 类型 | 文件名 | 大小 | 下载 |
|---|---|---|---|
| YX57026BCT规格书.pdf.pdf | 1.2 M | 请登录后下载 |


