



我们专业提供各类显示模组,包括字符 LCD、断码 LCD、图形液晶模组 、TFT 显示屏。
产品广泛用于工业控制、家电、仪器仪表、车载、医疗、智能家居等领域。
同时我们可根据客户具体要求定制显示方案,包括尺寸、接口、驱动、结构及功能开发,支持从样品到批量生产一站式服务。
| 系统类目: | LCD/OLED/EPD面板模块 > 图形型STN液晶模组 |
|---|---|
| 产品品牌: | 清越 (清越) |
| 产品系列: | 128x64点阵工业液晶显示模块 |
| 产品型号: | T12864Z |
| 关键描述: | 12864 图形点阵屏带中文字库 |
| 产品类别: | 图形型 |
| 产品标签: | STN图形液晶模块 |
| 应用产品: | 仪器仪表,车载电子,通讯设备,家用电器,文教体娱,金融税控,医疗保健,计时计数 |
| 面板类型: | STN-LCD |
| 产品组成: | 液晶模组 |
| 分 辨 率: | 64×128 |
| 物理形状: | 平面矩形 |
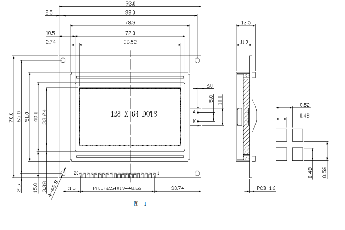
| 显示尺寸: | 93 (宽) × 70 (高) mm (A.A) |
| 可视尺寸: | 72 (宽) × 40 (高) mm (V.A) |
| 外观尺寸: | 93.3 (宽) × 70.3 (高) mm |
| 最大厚度: | 13.5 mm |
| 偏 光 片: | 透射式 |
| 颜色模式: | 蓝模-正显 |
| 显示颜色: | 单色 |
| 邦定方式: | COB |
| 背光类型: | WLED |
| 信号类型: | 并口数据 |
| 信号脚数: | 20 Pins |
| 触 摸 屏: | 无触摸 |
| 存储温度: | -20 ~ 80 °C |
| 类型 | 文件名 | 大小 | 下载 |
|---|---|---|---|
| T12864Z01I.PDF | 379.5 K | 请联系我们索取 |

