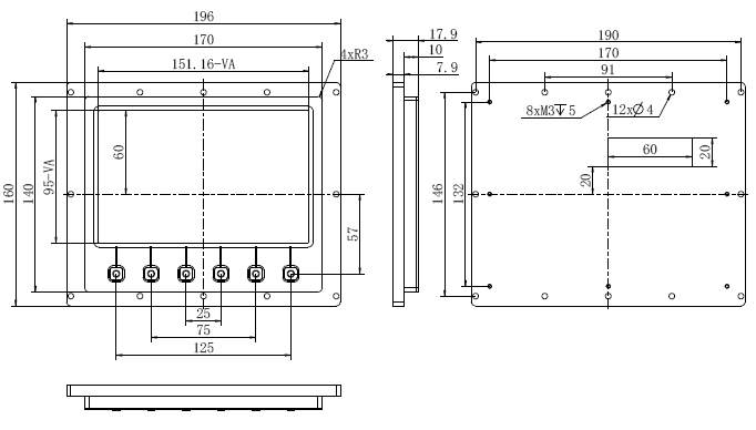
7寸全国产触摸防眩屏蔽显示模组, 全国产, 军工级, 多点触摸 。可选:加热、屏蔽, 超宽温工作, 全加固抗超强振动, 满足GB1032筛选要求和满足GJB电磁兼容各项测试。
湖南龙唐光有限公司是一家老牌军用显示设备生产产家,专注军用显示设备 二十余年。主要产品包括宽温、高亮液晶显示模组,全加固军用显示模块,全国产军用视频驱动板,全国产触摸屏,液晶屏电磁屏蔽、全贴合、抗振动、高亮背光改造等服务,同时为客户军用显示设备技术咨询、方案设计、整机设计生产等,为客户解决军用显示设备设计和使用过程中的各种疑难杂症。



